Key Features of Tau Proteins

StressMarq is pleased to introduce new active tau proteins in order to help researchers investigate tau aggregation, which is a hallmark of neurodegenerative diseases, including Alzheimer’s. StressMarq is the first to provide active tau preformed fibrils (PFFs) and filaments for neuroscience investigation. 

The process of tau aggregation can be seeded by active tau PFFs, which recruit monomers to form bigger tau fibrils. This has been shown in thioflavin T assays where growth in fluorescence, suggestive of tau fibrillization, can be observed when active tau monomers are combined with active tau PFFs.

Particular tau PFFs have been injected into P301L mice, where they seed tau aggregation and induce tau pathology in the hippocampus. Fibrils and monomers are available both in the full-length isoform of the tau protein (2N4R or Tau-441) or a truncated form (K18). K18 tau has a molecular weight of approximately 15 kDa, whereas Tau-441 has a molecular weight of around 46 kDa.

Immunohistochemistry analysis of P301L mouse hippocampus injected with K18 P301L tau PFFs (SPR-330) shows seeding of tau pathology at injection site. AT8 (pSer202/pThr205) tau antibody shows tangle-like inclusions. Experiments performed at reMYND N.V.

Immunohistochemistry analysis of P301L mouse hippocampus injected with K18 P301L tau PFFs (SPR-330) shows seeding of tau pathology at injection site. AT8 (pSer202/pThr205) tau antibody shows tangle-like inclusions. Experiments performed at reMYND N.V. Image Credit: StressMarq Biosciences

dGAE is one of the core PHF subunits and is a fragment of the tau protein made up of amino acids 297-391.1 It includes both proline-rich regions and microtubule-binding domains, and assembles into PHF-like fibrils in vitro without templates or additives.2

Proteins are available with a number of mutations or as wild-type. P301S and P301L mutations happen in exon 10 and are linked with frontotemporal dementia. The P301L mutation promotes beta-sheet formation and the formation of PHFs and the P301S mutation decreases tau’s ability to assemble microtubules.

In tau research, both P301S and P301L mutant transgenic mouse models are employed. The K280 deletion mutation is also linked with frontotemporal dementia and in the absence of heparin and other inducers, promotes fibrillization into paired helical filaments (PHFs). The C322A mutation also heightens tau’s ability to form PHFs.2

PFFs induce tau aggregation; full-length PFFs may be more effective in seeding fibrillization, but a mixture of both can be especially toxic to neurons. Most tau types are fibrillized by utilizing a heparin scaffold; soluble tau filaments are fibrillized by utilizing a linear anionic scaffold. dGAE tau and K18 K280 deletion tau both fibrillize without scaffolds.

TEM of active recombinant Tau441 (2N4R), P301S mutant preformed fibrils (PFFs) (SPR-329)

TEM of active recombinant Tau441 (2N4R), P301S mutant preformed fibrils (PFFs) (SPR-329). Image Credit: StressMarq Biosciences

TEM of active recombinant Tau (K18), P301L mutant preformed fibrils (PFFs) (SPR-330)

TEM of active recombinant Tau (K18), P301L mutant preformed fibrils (PFFs) (SPR-330). Image Credit: StressMarq Biosciences

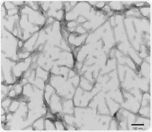
TEM of Human Recombinant Tau Protein Filaments (SPR-463)

TEM of Human Recombinant Tau Protein Filaments (SPR-463). Image Credit: StressMarq Biosciences

StressMarq is in the process of developing new varieties of fibrils for neurodegenerative disease research in addition to thoroughly characterizing their current products. They currently possess multiple varieties of tau PFFs and filaments. The table below shows the differences between them.

Source: StressMarq Biosciences

Catalog No. Protein Species Length/
Fragment
Mutant Monomer
source
Fibrillization
Scaffold
In vivo
activity
SPR-329 2N4R,
P301S
PFFs
Human 2N4R
(441-amino acid)
Full length
P301S SPR-327 Heparin Under Investigation
SPR-330 K18,
P301L
PFFs
Human K18 (4R)
Truncated
P301L SPR-328 Heparin Induces tau phosphorylation and aggregation in P301L transgenic mouse hippocampus
SPR-461 dGAE
PFFs
Human dGAE (AA297-391)
Truncated
WT SPR-444 Under Investigation
SPR-462 dGAE,
C322A
PFFs
Human dGAE
(AA297-391)
Truncated
C322A SPR-445 Under Investigation
SPR-463 2N4R,
P301S Filaments
Human 2N4R
(441-amino acid)
Full Length
P301S SPR-327 Linear
Anionic
Scaffold
Under Investigation
SPR-475 2N4R,
P301S
PFFs
Mouse 2N4R
(441-amino acid)
Full Length
P301S SPR-474 Heparin Under Investigation
SPR-477 K18,
K280 Deletion PFFs
Human K18 (4R)
Truncated
ΔK280 SPR-476 Under Investigation

References and Further Reading

  1. Novak, M. et al. (1993) EMBO J. 12, 365-370.
  2. Al-Hilaly, Y.K. et al. (2017) J. Mol. Biol. 429(23):3650-3665.

About StressMarq Biosciences

Established in 2007, StressMarq Biosciences Inc. is a supplier of life science products that operates out of Victoria, Canada with a small, but dedicated group of scientists. Headed by our CEO and President Dr. Ariel Louwrier, StressMarq provides the research community with high-quality reagents backed with rigorous quality control data, expert scientific support, and fast international delivery.

“Discovery through partnership, Excellence through quality”

With over 7,000 products, our growth can be attributed to the continual production of cutting edge research products. Our diverse portfolio of primary antibodies, antibody conjugates, proteins, immunoassay kits and small molecules bridges across the life sciences, including products for cancer research, cardiovascular disease, cell signaling and neuroscience. To aid research worldwide, StressMarq has an extensive network of international distributors that allow us to supply reagents to over 50 countries.

In the years to come, StressMarq will continue to aid life science research by providing “Discovery through partnership, and Excellence through quality”.


Sponsored Content Policy: News-Medical.net publishes articles and related content that may be derived from sources where we have existing commercial relationships, provided such content adds value to the core editorial ethos of News-Medical.Net which is to educate and inform site visitors interested in medical research, science, medical devices and treatments.

Last updated: Jan 27, 2020 at 2:26 AM

Citations

Please use one of the following formats to cite this article in your essay, paper or report:

  • APA

    StressMarq Biosciences Inc.. (2020, January 27). Key Features of Tau Proteins. News-Medical. Retrieved on January 17, 2026 from https://appetitewellbeing.com/whitepaper/20200127/Key-Feature-of-Tau-Proteins.aspx.

  • MLA

    StressMarq Biosciences Inc.. "Key Features of Tau Proteins". News-Medical. 17 January 2026. <https://appetitewellbeing.com/whitepaper/20200127/Key-Feature-of-Tau-Proteins.aspx>.

  • Chicago

    StressMarq Biosciences Inc.. "Key Features of Tau Proteins". News-Medical. https://appetitewellbeing.com/whitepaper/20200127/Key-Feature-of-Tau-Proteins.aspx. (accessed January 17, 2026).

  • Harvard

    StressMarq Biosciences Inc.. 2020. Key Features of Tau Proteins. News-Medical, viewed 17 January 2026, https://appetitewellbeing.com/whitepaper/20200127/Key-Feature-of-Tau-Proteins.aspx.

Other White Papers by this Supplier

While we only use edited and approved content for Azthena answers, it may on occasions provide incorrect responses. Please confirm any data provided with the related suppliers or authors. We do not provide medical advice, if you search for medical information you must always consult a medical professional before acting on any information provided.

Your questions, but not your email details will be shared with OpenAI and retained for 30 days in accordance with their privacy principles.

Please do not ask questions that use sensitive or confidential information.

Read the full Terms & Conditions.